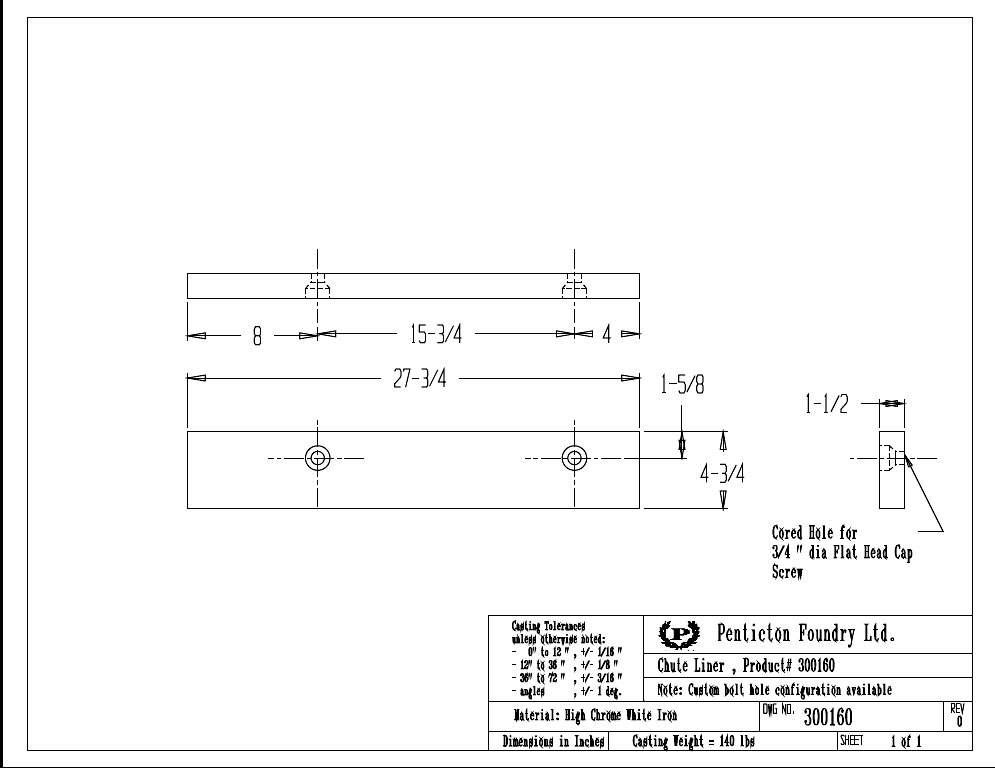
300010 300020 300030 300040 300050 300060 300070 300080 300090 300110 300120 300130 300140 300150 300160 300170